
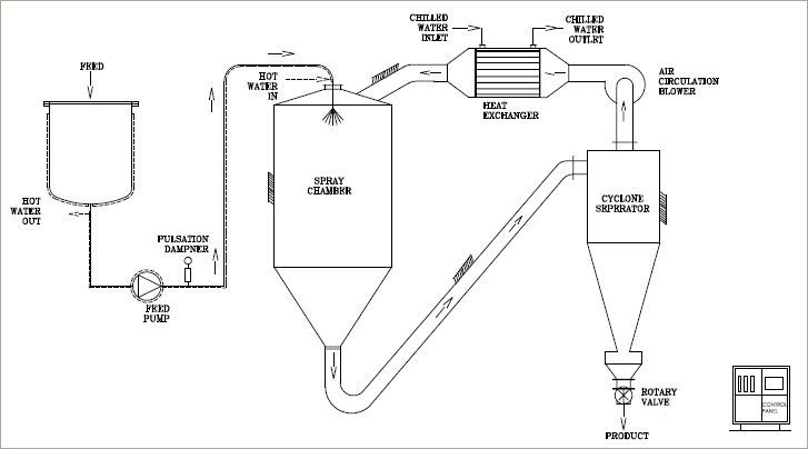
Spray cooler is technology adopted for the material of wax category. The material is to be sprayed is kept in molten condition in the steam jacketed/hot water jacketed vessels. From the jacketed vessels it is transferred to the feed vessels by the jacketed feed pumps with the help of positive displacement pump. (It is also steam jacketed) The molten mass is pumped & sprayed in chamber & droplets are converted to fine particles. At the same time the cold air is passed on this molten mass through the uniform air distribution system in the spray chamber. The heat of the fine particles is liberated & particles are cooled. The spray cooled particles further passes to the spray cooler conveying duct, cyclone, Secondary Cooler etc.